Shiftec
Side Mount Throttle Blipper
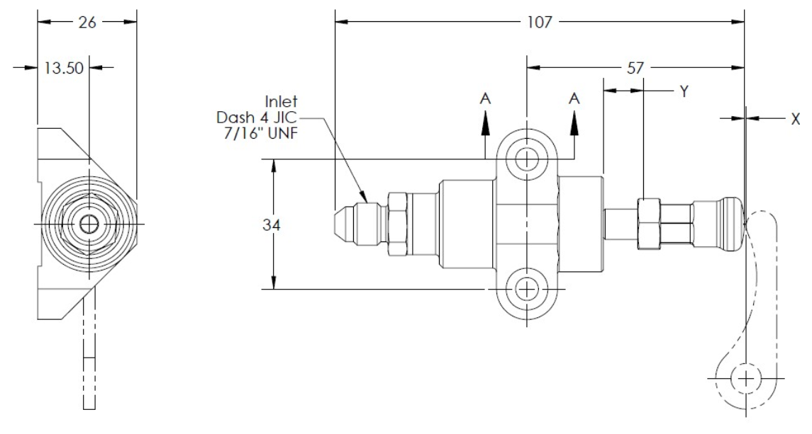
Side Mount Throttle Blipper
Couldn't load pickup availability
About:
When running paddle shift gear change systems it is necessary to blip the engine on down changes to ensure a smooth and efficient change. For engines with traditional cable throttles a pneumatically operated mechanical blipper is required.
The Shiftec side mount blipper is designed to provide a powerful and reliable actuation of throttle linkages. CNC machined from aluminium billet and protectively anodised, the blipper has two mounting holes for secure installation. The stroke is fixed but there is an adjustable end nudger to allow fine tuning of the amount of engine blip.
More Details
- Compact design
- Powerful action
- 10mm stroke
- Adjustable, hard wearing end nudger
- Two M6 clearance mounting holes
- Proven durability in 24hr races


